Co-act EGP-C 40-N-N-UREK

Kolaboratívny uchopovač Co-act EGP-C 40 UREK

Co-act EGP-C 40 je inteligentný elektrický uchopovač malých dielov navrhnutý pre bezpečnú a efektívnu spoluprácu človeka s robotom (HRC). Určené primárne pre roboty Universal Robots (staršie generácie/špecifické kity). Často využíva externú kabeláž alebo špecifický komunikačný modul. Integrovaný LED krúžok pre stavovú indikáciu.

  • Príruba robota: Štandardná príruba,
  • Komunikačné rozhranie: digitálne vstupy/výstupy. Pripojenie elektročasti uchopovača je priamo zo skryne riadenia robota. Kabel je vedený vonkajškom po ramene robota.
  • Obsahuje LED prstenec pre možnú indikáciu stavu procesu.

Vďaka certifikácii pre kolaboratívne aplikácie a plug-and-play rozhraniu umožňuje rýchle nasadenie do výroby bez potreby zložitého programovania.

  • Zdvih na čeľusť: 6 mm
  • Min. uchopovacia sila: 35 N
  • Max. uchopovacia sila: 140 N
  • Napájací zdroj: 24 V
  • Max. celkový prúd: 2 A
  • Max. teplota okolia: 55 °C
Kompatibilný robot UR 3/5/10/16
Príruba robota Štandardná príruba
Svetelný pás LED integrované
Zobraziteľné farby zelená, žltá, červená
Integrované snímače áno, dvojnásobne indukčné
Dĺžka X [mm] 93.8
Šírka Y [mm] 90.2
Výška Z [mm] 123.0
Zdvih na čeľusť [mm] 6.0
Min. uchopovacia sila [N] 35.0
Max. uchopovacia sila [N] 140.0
Min. sila na čeľusť [N] 17.5
Max. sila na jednu čeľusť [N] 70.0
Odporúčaná hmotnosť obrobku [kg] 0.7
Max. povolená dĺžka prsta [mm] 50.0
Max. povolená hmotnosť na jeden prst [kg] 0.08
Presnosť opakovania [mm] 0.02
Doba uzatvárania [s] 0.2
Doba otvárania [s] 0.2
Hmotnosť [kg] 0.86
Min. teplota okolia [°C] 5.0
Max. teplota okolia [°C] 55.0
Trieda ochrany IP 30
Káblový konektor/koncovka kábla otvorené drôty
Dĺžka kábla [mm] 4000.0
Nominálne napätie [V] 24.0
Nominálny prúd [A] 0.2
Max. prúd [A] 2.0
Elektronika ovládača integrované
Komunikačné rozhranie digitálne vstupy/výstupy
Počet digitálnych vstupov 4.0
Počet digitálnych výstupov 2.0
Moment Mx max. [Nm] 1.5
Moment My max. [Nm] 2.0
Moment Mz max. [Nm] 4.0
Max. axiálna sila Fz max. [N] 170.0

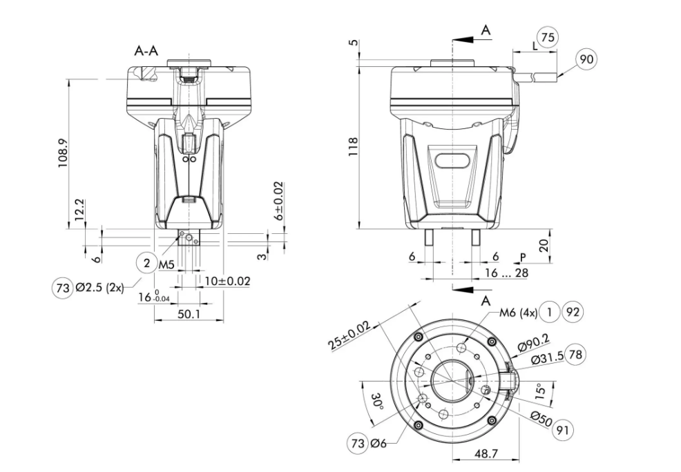
Výkres


Výkres zobrazuje základné vyhotovenie uchopovača v otvorenej polohe.

  • Pripojenie uchopovača (01) a prsta (02)
  • Centrovacie prvky: Otvory pre kolíky (73) a plochy pre centrovanie (78)
  • Elektrické parametre: Dĺžka kábla (75) a otvorené drôty (90)
  • Montáž: Rozstupová kružnica podľa DIN ISO 9409 (91) a priechodné otvory pre skrutky (92)

Rozmery a max. zaťaženia


Uvedené statické hodnoty momentov a síl sa vzťahujú na každú základnú čeľusť samostatne a môžu pôsobiť súčasne. Uvedené zaťaženia sú prípustné aj popri momente, ktorý vzniká samotnou uchopovacou silou.

Maximálne povolené prečnievanie prsta

Maximálne povolené prečnievanie prsta


Uchopovacia sila

uchopovacia sila

Os X: Dĺžka prsta

Os Y: Uchopovacia sila


Maximálne povolené prečnievanie prsta

maximálne povolené prečnievanie prsta

Lmax je ekvivalentné maximálnej povolenej dĺžke prsta, viď tabuľku technických údajov.

  • Zelené označenie: Povolený rozsah
  • Sivé označenie: Nepovolený rozsah